RollerTek Ltd. 01603 926326
RollerTek Ltd. 01603 926326    

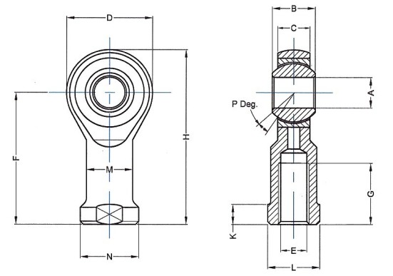
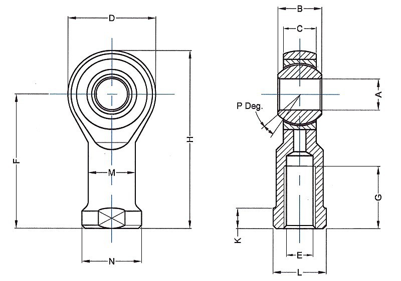
Female PTFE Rod End DIN 648

All dimentions in mm.

Part

Number

A

H7

B C D E F G H K L M N P Deg.

Dynamic

Load kN

Static 

Load kN

REFPM05 5 8 7.5 18 M5x0.8 27 8 36 4 10 9 12 4 3.6 4.6
REFPM06 6 9 7.5 20 M6x1.0 30 9 40 5 10 10 13 9 4.7 5.2
REFPM08 8 12 9.5 24 M8x1.25 36 12 48 5 13 12.5 16 12 7.6 8.2
REFPM10 10 14 11.5 30 M10x1.5 43 15 58 6.5 16 15 19 10 12 15
REFPM10F 10 14 11.5 30 M10x1.25 43 15 58 6.5 16 15 19 10 12 15
REFPM12 12 16 12.5 34 M12x1.75 50 18 67 6.5 18 17.5 22 12 14 19
REFPM12F 12 16 12.5 34 M12x1.25 50 18 67 6.5 18 17.5 22 12 14 19
REFPM14 14 19 13.5 36 M14x2.0 57 21 75 8 21 20 25 14 19 24
REFPM14F 14 19 13.5 36 M14x1.5 57 21 75 8 21 20 25 14 19 24
REFPM16 16 21 15.5 42 M16x2.0 64 24 85 8 24 22 27 14 23 29
REFPM16F 16 21 15.5 42 M16x1.5 64 24 85 8 24 22 27 14 23 29
REFPM18 18 23 17.5 46 M18x1.5 71 27 94 10 27 25 31 13 29 34
REFPM20 20 25 18.5 50 M20x1.5 77 30 102 10 30 27.5 34 14 34 40
REFPM22 22 28 21 56 M22x1.5 84 33 112 12 34 30 37 14 42 50
REFPM25 25 31 23 60 M24x2.0 94 36 124 12 36 33.5 42 14 52 57
REFPM28 28 35 26 66 M27x2.0 103 41 136 14 41 37 46 14 66 69
REFPM30 30 37 27 70 M30x2.0 110 45 146 15 46 40 50 15 73 77

Materials:

Housing AISI 1045 Carbon Steel.

Spherical Housing H62 Brass.

Ball AISI 52100 Bearing Steel.

Liner PTFE.

 

Protective Finish:

Zinc and Clear Trivalent Plated.

RoHS Compliant.

 

Based on DIN648.

PTFE Liner gives this Rod End self lubricating properties with excelent chemical and corrosion resistance.

 

If 304/440C Stainless Steel is required the suffix 'SS' should be added to the part number e.g. REFPM10SS.

 

If a left hand thread is required the suffix 'L' should be added to the part number e.g. REFPML10.

Female PTFE Rod End DIN648 Data Sheet
M5, M6, M8, M10, M12, M14, M16, M18, M20, M22, M24, M27 M30 Female PTFE Rod Ends DIN648.
Female PTFE Rod End DIN 648 Data Sheet.p[...]
Adobe Acrobat document [468.4 KB]
Female Stainless Steel PTFE Rod End DIN648 Data Sheet
M5, M6, M8, M10, M12, M14, M16, M18, M20, M22, M24, M27 M30 Female Stainless Steel PTFE Rod Ends DIN648.
Female Stainless Steel PTFE Rod End DIN [...]
Adobe Acrobat document [468.9 KB]

RollerTek Ltd.

47 Southalls Way

Norwich

Norfolk

NR3 4SA

 

Tel. +44 1603 926326

Fax. +44 1603 926326

 

Email: mark@rollertek.co.uk

 

 

Business Hours

 

8.30am to 5.00pm

Print | Sitemap
© Rollertek